上海市地方标准《重点单位重要部位安全技术防范系统要求第8部分:旅馆、商务办公楼》

1.范围
本标准规定了本市旅馆、商务办公楼安全技术防范系统的设计、施工、检验、验收和维护。
本标准适用于本市设有15间(套)客房或50个床位以上的旅馆,以及500m2(含)以上商务办公楼的安全技术防范。
度假村、培训中心、农家乐、会员制俱乐部和休闲娱乐等场所,以及商住楼办公场所的安全技术防范系统参照本标准。

 

2 .规范性引用文件
下列文件的条款通过本标准的引用而成为本标准的条款。凡是注日期的引用文件,其随后所有的修改单(不包括勘误的内容)或修订版均不适用于本标准,然而,鼓励根据本标准达成协议的各方研究是否使用这些文件的最新版本。凡是不注日期的引用文件,其最新版本适用于本标准。
GB10408.1入侵探测器 第1部分:通用要求
GB10408.3入侵探测器 第3部分:室内用微波多普勒探测器
GB10408.4入侵探测器 第4部分:主动红外入侵探测器
GB10408.5入侵探测器 第5部分:室外用被动红外入侵探测器
GB10408.6入侵探测器 第6部分:微波和被动红外复合入侵探测器
GB 15209 磁开关入侵探测器
GB 12663 防盗报警控制器通用技术条件
GB 17565 防盗安全门通用技术条件
GB 50198-1994 民用闭路监视电视系统工程技术规范
GB 50348 安全防范工程技术规范
GA/T75 安全防范工程程序与要求
GA/T 308 安全技术防范系统验收规则
GA/T 367 视频安防监控系统技术要求
GA/T 368 入侵报警系统技术要求
GA/T 394 出入口控制系统技术要求
DB 31/295 安全技术防范监控用硬盘录像机通用技术要求
GB/T14308 旅游饭店星级的划分与评定技术要求

 

3 .术语和定义
下列术语与定义适用于本标准
3.1旅馆
以接待住宿服务为主,可提供相关设施和服务的经营场所,包括旅社、旅游饭店、宾馆、酒店、招待所、留宿浴场、公寓式酒店等。
3.2公寓式酒店
按公寓式(单元式)分隔出租的酒店。
3.3 候车区
旅馆、商务办公楼人员上下车辆的专属区域。

 

4 .系统设计和施工要求
4.1 总体要

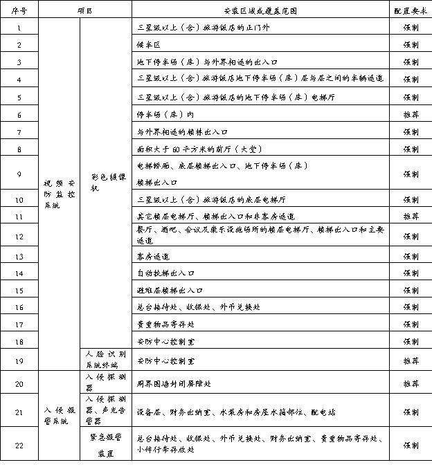
4.1.1 旅馆重要部位的安全技术防范系统应根据表1的要求配置。

表1 旅馆安全技术防范系统配置表

1
2

 

 


 
Copyright (c) 2006-2008 上海联客信息科技有限公司 http://www.shlianke.com/                        Powered by JCShome